Ahli VIP
MSA45E
Ciri-ciri kelebihan: Siltai Linear Slider MSA45E tergolong dalam siri produk flange berpasangan tinggi, jarak lubang pemasangan rel adalah 105, lubang
Perincian produk
Ciri-ciri kelebihan:Siltai Linear Slider MSA45E tergolong dalam siri produk flange berpasangan tinggi, jarak lubang pemasangan rel adalah 105, lubang pemasangan geser adalah 100 * 80, ketahanan getaran dan kestabilan ketahanan getaran adalah keupayaan garis panduan untuk menahan getaran dan kesan paksa, dan kestabilan merujuk kepada prestasi getaran diri yang tidak muncul dalam keadaan operasi tertentu.

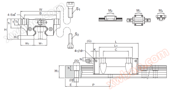
| Nombor Model | Saiz (mm) | Saiz geser (mm) | |||||||||||||||||||||||
| Ketinggian H |
Lebar W |
Panjang L |
W2 | H2 | B | C | S × L | L1 | T | T1 | T2 | N | G | K | d1 | Spesifikasi Mulut Minyak | |||||||||
| MSA45E | 60 | 120 | 137.7 | 37.5 | 10 | 100 | 80 | M12 × 15 | 102.5 | 13 | 25 | 15 | 10 | 13.5 | 10.6 | 3.3 | G-PT 1/8 | ||||||||
| Nombor Model | Saiz rel geser (mm) | Beban nilai asas | Membolehkan momen statik | berat badan | ||||||||||
| Lebar W1 |
Ketinggian H1 |
Jarak P |
E std. |
D × H × D | Beban C KN |
Beban Co KN |
Mp KN-m |
saya KN-m |
Encik KN-m |
Pelangsar Kilogram |
Panduan Kilogram / m |
|||
| Satu | Dua | Satu | Dua | |||||||||||
| MSA45E | 45 | 38 | 105 | 22.5 | 20×17×14 | 83.8 | 117.9 | 1.81 | 10.67 | 1.81 | 10.67 | 2.57 | 2.98 | 11.5 |
Klasifikasi laluan garis
Alihan pemandu garis lurus biasanya terdiri daripada pemandu, geser, pembalikan, badan penggulung dan pemegang, dan lain-lain, ia adalah jenis baru sokongan penggulungan untuk pergerakan garis lurus yang relatif, boleh menggulung bola keluli antara geser dan pemandu untuk menggantikan sentuhan geser langsung, dan badan penggulung boleh menggunakan pembalikan untuk mencapai kitaran tidak terhad dalam laluan dan geser, dengan struktur yang mudah, pekali geseran kinetik yang kecil, ketepatan kedudukan yang tinggi, ketepatan pemeliharaan yang baik dan lain-lain kelebihan.
Pemandu garis lurus juga dikenali sebagai pemandu garis lurus bergulir ketepatan, pemandu garis lurus, pemandu garis lurus, pemandu garis lurus, pemandu garis, pemandu garis lurus bergulir, digunakan untuk perkara-perkara pergerakan garis lurus yang memerlukan kawalan selari berjalan meja kerja yang tepat, mempunyai beban nominal yang lebih tinggi daripada bantalan garis lurus, pada masa yang sama boleh menanggung tork tertentu, boleh mencapai pergerakan garis lurus ketepatan yang tinggi dalam keadaan beban yang tinggi.
Peranan kereta api bergulir lurus digunakan untuk menyokong dan membimbing bahagian pergerakan, bergantung pada dua atau empat lajur di kedua-dua sisi kereta api bergulir bulat bola menggerakkan meja kerja mengikut arah yang diberikan untuk bergerak lancar ke arah garis lurus.
Bergantung kepada sifat gesekan urut, pemandu pergerakan linear boleh dibahagikan kepada jenis pemandu gesekan gesekan geser, pemandu gesekan bergulir, pemandu gesekan elastis, pemandu gesekan cecair dan lain-lain.
Siltai Linear Slider MSA45E tergolong dalam siri produk flange berpasangan tinggi, jarak lubang pemasangan rel adalah 105, lubang pemasangan geser adalah 100 * 80, ketahanan getaran dan kestabilan ketahanan getaran adalah keupayaan garis panduan untuk menahan getaran dan kesan paksa, dan kestabilan merujuk kepada prestasi getaran diri yang tidak muncul dalam keadaan operasi tertentu.
Penyelidikan dalam talian
